

JSOM-R88C
基于瑞芯微工规级 RK3588J SoC设计,支持宽温 -40~85℃ 应用环境,适配 Android/Linux 等多种操作系统,为您给予行业领先的高性能边缘AI解决方案。
- •
- ARM平台 SMARC 2.1.1标准核心模块
- •
- 基于瑞芯微工规级 RK3588J SoC设计
- •
- 4x Cortex-A76 + 4x Cortex-A55 + 6 TOPS NPU
- •
- 板载 4/8GB LPDDR4X + 32/64/128GB eMMC 5.1
- •
- 多媒体:1x HDMI、1x DP、1x eDP、1x MIPI-DSI、2x MIPI-CSI
- •
- I/O:1x GbE、3x PCIe、1x SATA、4x USB、4x UART、2x CAN
- •
- DC 5V,支持 3.6~5.25V 锂电池供电
- •
- 支持宽温 -40~85℃ 应用环境
CPU | Rockchip RK3588J/RK3588 八核64位处理器 Quad core Arm Cortex-A76, 最大主频 2.2-2.4GHz (常温) / 1.6-2.0GHz (宽温) Quad core Arm Cortex-A55, 最大主频 1.8GHz (常温) / 1.3-1.7GHz (宽温) |
NPU | 6 TOPS Neural Network performance |
GPU | Arm Mali-G610 MP4, 支持 OpenGL ES 1.1/2.0/3.2, OpenCL 2.2, Vulkan 1.2 |
硬件编解码 | 支持 H.265/H.264/VP9/AV1/AVS2 视频解码, 最高8K60; 支持 H.265/H.264 视频编码, 最高8K30 |
内存 | 板载 4GB/8GB/16GB LPDDR4X |
存储 | 板载 32GB/64GB/128GB eMMC 5.1 for OS |
以太网 | 1x 10/100/1000 Mbps |
显示 | 1x HDMI 2.1, 支持 4K60 输出 1x DP 1.4, 支持 4K60 输出 1x 4-lane eDP 1.3 1x 4-lane MIPI-DSI 支持三屏异显或四屏同显, 多种显示组合 |
摄像头 | 1x 4-lane MIPI-CSI, 1x 2-lane MIPI-CSI 支持 48MP ISP with HDR&3DNR |
音频 | 2x I2S 用于音频输入输出 |
PCIe | 1x PCIe 3.0 2-lane, 1x PCIe 3.0 1-lane, 1x PCIe 2.0 1-lane |
SATA | 1x SATA 3.0 |
USB | 2x USB 3.0 Host, 1x USB 2.0 Host, 1x USB 2.0 OTG/Host |
串口 | 2x 4-wire UART, 2x 2-wire UART (其中一个用于调试) |
其他 I/O | 1x SDIO (4 bit, for SD cards), 2x CAN FD, 2x SPI, 5x I2C, 14x GPIO |
扩展功能 | 支持独立看门狗, 定时开关机 |
电源 | DC 5V, 支持 3.6~5.25V 锂电池供电 |
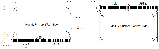
规范/尺寸 | SMARC 2.1.1 314-pin MXM 金手指, 82mm x 65mm |
操作系统 | Debian 11, Ubuntu 20.04, Android 12 |
启动方式 | eMMC or SD, 默认 eMMC |
工作温度/湿度 | 0~60℃/-20~70℃/-40~85℃ 可选, 10%~90% RH 无冷凝 |
储存温度/湿度 | -40~85℃, 5%~90% RH 无冷凝 |

产品尺寸

产品选型
产品型号 | SoC | 内存 | Flash | GbE | PCIe | SATA | USB | UART | CAN | 工作温度 |
JSOM-R88C-A8MM1 | RK3588J | 8GB | 64GB | 1 | 3 | 1 | 4 | 4 | 2 | -40~85℃ |
JSOM-R88C-A8ML1 | RK3588J | 8GB | 32GB | 1 | 3 | 1 | 4 | 4 | 2 | -40~85℃ |
JSOM-R88C-B8MH1 | RK3588 | 8GB | 128GB | 1 | 3 | 1 | 4 | 4 | 2 | 0~60℃ |
JSOM-R88C-B8ML1 | RK3588 | 8GB | 32GB | 1 | 3 | 1 | 4 | 4 | 2 | 0~60℃ |
金数据智能为您给予量身定制的解决方案,满足从产品定义到软硬件开发的各种需求,会安排资深产品工程师为您服务。





